
> 設計采用高壓屏蔽端子使用起來更安全便捷
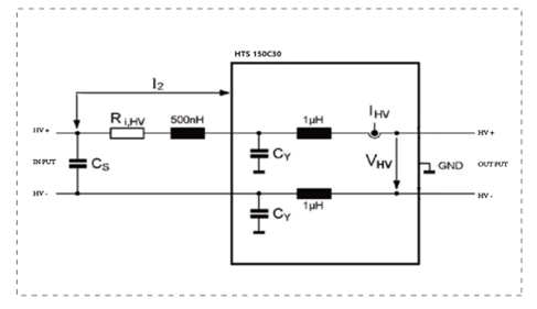
標準原理圖如下:
|
技術參數 |
|
|
10 Hz ~ 150 kHz |
|
|
輸出阻抗 |
0 mΩ、50 mΩ、100 mΩ、200 mΩ |
|
電感 |
1 μH |
|
接地電容 |
220 nF |
|
去耦電容 |
10 mF(±10%) |
|
輸入電壓 |
MAX 1500 VDC |
|
電流 |
0 mΩ、50 mΩ 300 A |
|
100 mΩ 200 A |
|
|
200 mΩ 100 A |
|
|
溫度保護 |
設備內部溫度超80℃中止運行 |
|
電容電壓監(jiān)測 |
|
|
通用參數 |
|
|
AC 220 V ±10%,50 Hz /60 Hz ±5% |
|
|
保險絲 |
6A |
|
最大功耗 |
350 W |
|
儀器接地連接方式 |
使用扁平接地線 |
|
機箱尺寸 |
35U 600mm(W)*1850mm(H)*800mm(D) |
|
儀器重量 |
約275 kg |
|
環(huán)境溫度 |
15℃ ~ 35℃ |
|
濕度范圍 |
45% ~ 75%,RH(無凝露) |
|
氣壓范圍 |
86 kPa ~ 106 kPa |
|
標配附件 |
電源線、保險絲、接地線、測試線、校準模塊、說明書、檢驗報告、產品質保書 |
||
|
汽車抗擾度測試軟件Autolab |
支持windows 7 and Windows 10、11,它使用方便、用戶界面美觀、直觀,各項操作功能以及標準測試庫使用戶可以輕松完成自定義測試程序,用戶可自定義任意波形(標準庫以外),它能夠自動/手動識別所連接的Autolab測試設備并進行自動配置,基于模板的報告功能可以幫助用戶靈活地生成測試報告。 |
|
|
全國免費服務熱線
4006-0512-77