
CDN 419M4N-32耦合去耦網絡適用于(差模傳導抗擾)三相4線(L1+L2+L3+N)線纜,其耦合差模傳導抗擾電壓可達到30V。嚴格按照IEC 61000-4-19:2014標準要求來設計。
產品特點:
>符合標準IEC 61000-4-19標準要求
>4線差模測試
>香蕉頭端子信號注入
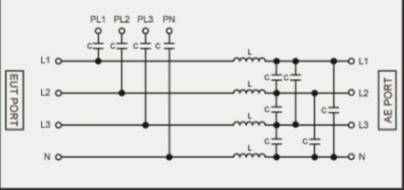
1、標準原理圖:

2、測試連接示意圖:

|
技術參數 |
|
|
標準 |
IEC 61000-4-19:2014 |
|
耦合頻率 |
2 KHz-150 KHz ,CW波 |
|
耦合電壓 |
30 V |
|
耦合模式 |
差模 (線對線) |
|
耦合器件 |
12 μF 電容器 |
|
工作電壓 |
最大 400 V DC |
|
工作電流 |
最大 32 A |
|
AE/EUT端口類型 |
4mm香蕉頭 |
|
信號注入端口類型 |
4mm香蕉頭 |
|
通用參數 |
|
|
重量 |
約10 kg |
|
尺寸 |
360 mm×220 mm×135mm(長×寬×高) |
|
殼體材料 |
鋁材料 |
|
環(huán)境溫度 |
15℃ - 35℃ (操作條件) |
|
相對濕度 |
45% - 75% (操作條件) |
|
隨機配件 |
|
測試線 |
全國免費服務熱線
4006-0512-77